Главная
На главную
Помощь по сайту
Канал на Youtube
Страница на Myspace
Форум
Галерея
Поиск
Поиск пользователей
RSS
Мобильная версия
Вход
Регистрация
WagnerLand.ru
Форум
Особый раздел
Мастерские, инструменты
Намоточный станок подковы с укладчиком. Эволюция
« предыдущая тема
следующая тема »
Печать
Страницы:
1
2
3
»
Вниз
Автор
Тема: Намоточный станок подковы с укладчиком. Эволюция (Прочитано 18485 раз)
augism
Мопедист
Сообщений: 2644
Степень оранжевости: 1632
Награды
Город: Radviliškis, Lithuania
Намоточный станок подковы с укладчиком. Эволюция
«
:
Февраль 26, 2018, 11:38:22 »
+9
-0
У меня уже было на верное 4 или 5 станков для намотки подковы. Все примерно такие. Если надо намотать одну подкову, всем такого желаю, а дальше можно не читать
Делается за пол часа, а мотать удобно.
Другие станки даже не буду показывать, почти то самое.
Но вот увидел, как Дедушка мотает, насмотрелся интернета, решил сделать что то продвинутое. Затея у меня сделать станок, по максимуму удобный, но тем самым - которого можно собрать дома, на коленьке, без лишних инвестиций. С станком я намотаю ещё 10 или 15 подков за всю свою жизнь, и точно не более. У меня есть доспуп к фрезировочному станку. И даже на халяву или символические денги, но зачем? По немногу начал собирать с того, что есть
Как видно, ничего особенного. Уголочки, старые подшипники 201. Правда, сварить пришлось просить, пока этого не умею
Почему крепление за одно ухо? Мотая подкову часто надо подмотать нитки. Вот и думайте.
С перва сделал приторможение бобины. Думаю, этого будет достаточно тем самым регулировать натяжение провода.
Везде искал шкивы, и мне очень повезло найти в радио мастерской старый магнитофон. Просто отдали! По словам Омича, это катушенчый магнитофон Иней 302 (фотка чужое)
За тем делал ручку для намотки. Как понимаете, в заголовке темы не зря написал слово эволюция, то есть, по желанию можно подключить моторчик
Ну а далее интересное. Укладчик. Пока всё делается на грубых расчётах, и вот что получилось.
Вы конечно не поверите, но 3 отверстия делал целый день. Оказывается, не так просто в 3 кусочках фанеры ровно, перпендикулярно просверлить 3 отверстие. Это только с 3 раза, и то, люфт большой, всё таки переделаю
В низу написанно соотношение шкивов 14,5:77,8 Конечно же, попробовал крутить, получилось, каретка проходит расстояние намотки 45 мм за 194 оборота, и таким макаром получаестя, что это бы для провода 0,23 мм (45мм : 194). Один шкив прийдётся брать по больше.
Общий вид получился такой
Если кто нибудь не понял, мотается так. Крутим за ручкой (моторчик пока не подключен к электричеству), тем самым через шкив движится каретка с укладчиком. Тоже пока нету
После намотки слоя, ремень на укладчик переплетаем накрест, и шкиф крутися в обратное направление, каретка движится назад.
В планах место шкива и ремня у укладчика поставить моторчик от принтера. В конце и начале дорожки каретки соорудить контакт. Каретка приезжает, задевает контакт, реле переключает + и - двигателя, он крутится в обратную сторону, каретка едить назад, до контакта в противоположной стороне. Опять переключение + и -.
Про счётчик видно из фото.
А уже потом, после того, как посмотрим другие станки, можно будет поговорить про Ардуино, Атмега и всякие другие контролёры PIC
«
Последнее редактирование: Февраль 26, 2018, 11:46:16 от augism
»
Записан
viks68
Мопедист
Сообщений: 238
Степень оранжевости: 141
Город: Riga latgola
Re: Намоточный станок подковы с укладчиком. Эволюция
«
Ответ #1 :
Февраль 26, 2018, 17:47:22 »
+0
-0
серезный апарат мне понравился
Записан
augism
Мопедист
Сообщений: 2644
Степень оранжевости: 1632
Награды
Город: Radviliškis, Lithuania
Re: Намоточный станок подковы с укладчиком. Эволюция
«
Ответ #2 :
Март 04, 2018, 21:21:01 »
+0
-0
Нужна помощь электронщиков.
Для станка надо, чтоб моторчик крутился в одну сторону, и двигал укладчик в лево. В конце дороги контакт на каретке косается контакта реле, которая меняет 2 других контакта - полярность моторчика, и он начинает крутится в другую сторону, двигает каретку на право. Там тоже встречает контакт реле, та опять меняет движение каретки. И так туда сюда.
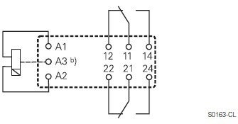
Купил реле 12 вольт RT424F12 Контакты распологается вот так. Помогите подключить
«
Последнее редактирование: Март 04, 2018, 21:25:59 от augism
»
Записан
augism
Мопедист
Сообщений: 2644
Степень оранжевости: 1632
Награды
Город: Radviliškis, Lithuania
Re: Намоточный станок подковы с укладчиком. Эволюция
«
Ответ #3 :
Март 04, 2018, 21:59:14 »
+0
-0
Нашёл картинку, как надо. И всё равно не понятно
Записан
augism
Мопедист
Сообщений: 2644
Степень оранжевости: 1632
Награды
Город: Radviliškis, Lithuania
Re: Намоточный станок подковы с укладчиком. Эволюция
«
Ответ #4 :
Март 04, 2018, 22:52:33 »
+0
-0
СОединил первую и вторую фотку логической цепочкой, и всё работает
Записан
omich
Супермодератор
Мопедист
Сообщений: 3007
Степень оранжевости: 892
Лужу, паяю, зажигание и свет для Д6 сочиняю.
Награды
Город: Зеленогорск Красноярский край
Re: Намоточный станок подковы с укладчиком. Эволюция
«
Ответ #5 :
Март 04, 2018, 23:06:12 »
+1
-0
Без логических элементов тут не обойтись. Одного нажатия кнопки мало, надо ее "удерживать", пока не будет нажата противоположная, которая, в свою очередь должна не размыкаться при отпускании. Такую задачу легко решить либо триггером, либо парой логических элементов ИЛИ-НЕ.
Записан
augism
Мопедист
Сообщений: 2644
Степень оранжевости: 1632
Награды
Город: Radviliškis, Lithuania
Re: Намоточный станок подковы с укладчиком. Эволюция
«
Ответ #6 :
Март 04, 2018, 23:20:46 »
+2
-0
А вот и не правда. После косновения контакта, моторчик меняет направление, и что меня удивило - запоминает его. Если отключить питание, о потом включить, моторчик крутится по прежде заданном направление. Если повторно коснуть тем самым контактом, ничего не происходит. И так с обееми сторонами, проверил
Думаю, скоро будет видео. Сегодня кое чего соорудил. Станочек крутится и укладчик едит с моторчиками
«
Последнее редактирование: Март 04, 2018, 23:22:48 от augism
»
Записан
krotik
Мопедист
Сообщений: 1216
Степень оранжевости: 585
Лужу, паяю, ЭВМ починяю
Город: Москва
Re: Намоточный станок подковы с укладчиком. Эволюция
«
Ответ #7 :
Март 05, 2018, 11:14:22 »
+1
-0
Это бистабильное поляризованное реле, ничего удерживать не нужно.
Сам иногда забываю о существовании поляризованных
«
Последнее редактирование: Март 05, 2018, 11:17:05 от krotik
»
Записан
augism
Мопедист
Сообщений: 2644
Степень оранжевости: 1632
Награды
Город: Radviliškis, Lithuania
Re: Намоточный станок подковы с укладчиком. Эволюция
«
Ответ #8 :
Март 05, 2018, 14:34:52 »
+1
-0
На сегодня вид такой
Червя (редуктор) нашёл в копировачном апарате. Отдали на детали, там я ещё нашёл 4 серво двигателя, кучу проводов и ещё 4 большие платы с деталями. Апарат почти рабочий, надо менять барабан. Грех было всё ломать и откусывать кусачками, но его дорога уже была на свалку.
Теперь надо думать, как пристроить контакты для переключения реле по бокам
На сегодня остался вот этот двигатель. Питание от 12 В аккумма, подкова крутится примерно 225 об/мин., и это 1 слой проводом 0,18 мм. При такой скорости на моторчик укладчика с червем
надо подавать питание 14,5 вольта. Таким образом надеюсь обойтись без всяких програматорах и Ардуйнов, то есть, наладить скорость в ручную, и включать оба моторчика нажатием сдвоенной кнопки.
Как то не хочется копать дальше, но такие примеры мне самому падають в руки. Вот моторчик от принтера. Как видно, тут очевидно сделан датчик оборотов
На микросхеме написанно RSS065
http://www.alldatasheet.com/datasheet-pdf/pdf/90279/ROHM/RSS065N03.html
Но кто скажет, как его пристроить?
Записан
omich
Супермодератор
Мопедист
Сообщений: 3007
Степень оранжевости: 892
Лужу, паяю, зажигание и свет для Д6 сочиняю.
Награды
Город: Зеленогорск Красноярский край
Re: Намоточный станок подковы с укладчиком. Эволюция
«
Ответ #9 :
Март 05, 2018, 14:47:37 »
+0
-0
Цитата: augism от Март 05, 2018, 14:34:52
На микросхеме написанно RSS065 ...
Так это обычный N-канальный полевик, только в таком корпусе.
Записан
augism
Мопедист
Сообщений: 2644
Степень оранжевости: 1632
Награды
Город: Radviliškis, Lithuania
Re: Намоточный станок подковы с укладчиком. Эволюция
«
Ответ #10 :
Март 05, 2018, 16:02:44 »
+0
-0
Как бы понять, каким образом оно работает? Чтоб под себя приспособить...
Записан
omich
Супермодератор
Мопедист
Сообщений: 3007
Степень оранжевости: 892
Лужу, паяю, зажигание и свет для Д6 сочиняю.
Награды
Город: Зеленогорск Красноярский край
Re: Намоточный станок подковы с укладчиком. Эволюция
«
Ответ #11 :
Март 05, 2018, 16:10:18 »
+0
-0
Как моторчик с платой работает? Скорее всего, это обычный коллекторный двигатель, а управляется просто на включение/выключение этим полевиком, а остальные мелкие детали участвуют в логике управления им, поскольку, на плате не видно ни каких процессоров и контроллеров, а к двигателю, по-моему, подходит только пара проводов, т.е. это не шаговый и не асинхронный двигатель.
Записан
augism
Мопедист
Сообщений: 2644
Степень оранжевости: 1632
Награды
Город: Radviliškis, Lithuania
Re: Намоточный станок подковы с укладчиком. Эволюция
«
Ответ #12 :
Март 05, 2018, 16:52:49 »
+0
-0
К двигателю идут два красивых проводов, белый и красный, и с ними всё понятно. Я не думаю, что на той плате есть управление. По моему, это датчиковая плата, и я думаю, как это изпользовать для своих целей.
На фотке не видно, но на плату приходит шлейф на 7 проводов. Другой конец шёл на `глаз` лазера.
Записан
omich
Супермодератор
Мопедист
Сообщений: 3007
Степень оранжевости: 892
Лужу, паяю, зажигание и свет для Д6 сочиняю.
Награды
Город: Зеленогорск Красноярский край
Re: Намоточный станок подковы с укладчиком. Эволюция
«
Ответ #13 :
Март 05, 2018, 17:06:03 »
+0
-0
Беглый взгляд на плату показывает, что полевик точно управляет двигателем, а мелкие транзисторы вверху управляют полевиком, ну а на входы мелких транзисторов идут дорожки от шлейфов. Т.е. это чисто плата управления двигателем по сигналам от каких-то датчиков. А вот использовать плату или убрать, тут уж не подскажу. Скорее всего, пользы от нее не много.
Записан
augism
Мопедист
Сообщений: 2644
Степень оранжевости: 1632
Награды
Город: Radviliškis, Lithuania
Re: Намоточный станок подковы с укладчиком. Эволюция
«
Ответ #14 :
Март 08, 2018, 09:50:08 »
+0
-0
У меня не большое видео. Больше не успел. Вчера была среда, а у нас по средам с детьями вечер столовых игр. То есть Монополь, Катан, Давай спорит!, и др. Играли в Уно
Хоть как то их отодвинуть от кибернетического мира
С разу вопрос. Во время контакта слышен звук. Такой звук выдаёт калкулятор. А он то выключен! Если он пикает выключенным, не будет ли влиять (сбрасывать счёт) во время работы?
«
Последнее редактирование: Март 08, 2018, 09:52:10 от augism
»
Записан
Печать
Страницы:
1
2
3
»
Вверх
« предыдущая тема
следующая тема »
WagnerLand.ru
Форум
Особый раздел
Мастерские, инструменты
Намоточный станок подковы с укладчиком. Эволюция